Время работы:
пн-пт: 9.00 до 18.00
Серпухов
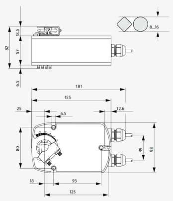
Прибор управляет заслонками воздуха, которые, помимо стандартных функций, выполняют еще и охранную. Изделие оснащается возвратной пружиной и потребляет ток минимально. Его особенность — наличие универсального хомута для крепежа V-образной формы и особого фиксатора. Последний не позволяет корпусу вращаться. Устройство монтируется на вал заслонки. Она фиксируется в рабочем положении под действием растянутой пружины. Последняя сжимается, когда привод отключается планово или аварийно.
Доставка по Москве в пределах МКАД: мелкогабаритный груз от 1 000 руб., крупногабаритный груз от 2 500 руб.,
Полный цикл работ: подберем, спроектируем и установим оборудование
Нашли дешевле? Звоните, договоримся!
Заявки принимаются с реквизитами через почту
